Siirry tekstisisältöön ›
Maritim venetarvikkeet » Venevarusteet » Hydrauliset ohjauslaitteet » Hydraulipumput » HYDRAULIPUMPPU 39CM3

HYDRAULIPUMPPU 39CM3

 

HYDRAULIPUMPPU 39CM3
HYDRAULIPUMPPU 39CM3HYDRAULIPUMPPU 39CM3HYDRAULIPUMPPU 39CM3HYDRAULIPUMPPU 39CM3

HYDRAULIPUMPPU 39CM3

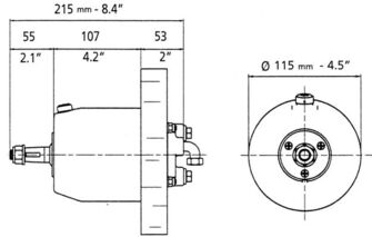
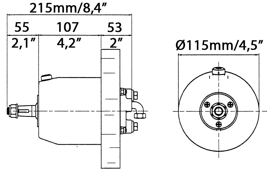
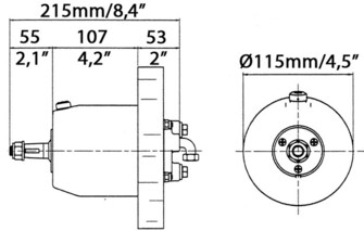
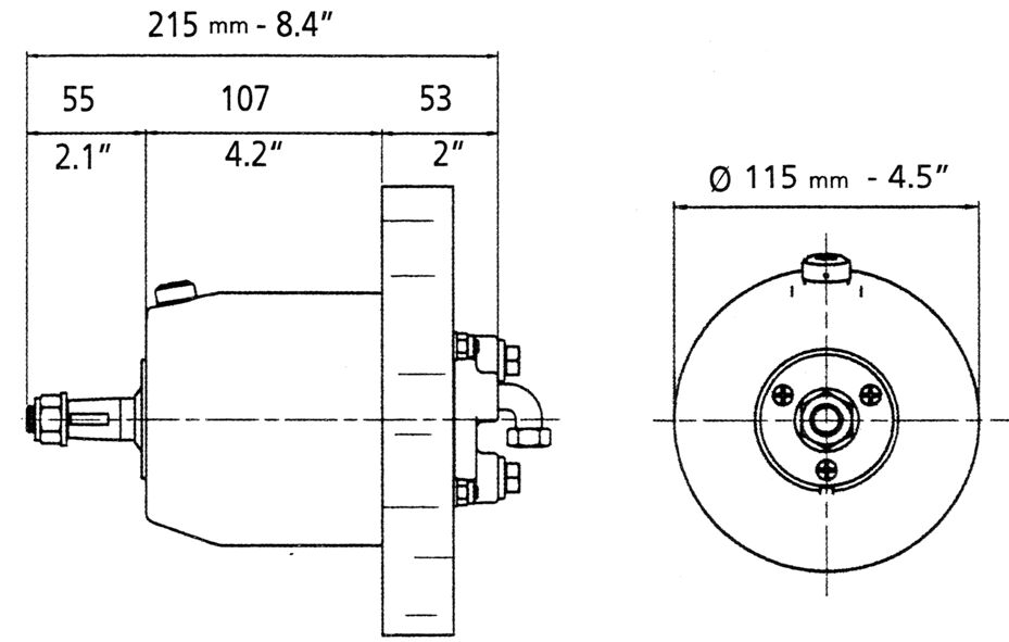
Eteen asennettava ruoriohjauspumppu.

Ultraflex-hydraulipumput on valmistettu tarkoitukseen parhaiten soveltuvista korroosiota kestävistä materiaaleista. Runko on alumiinia ja ohjauspyörän akseli ruostumatonta terästä, paino 5 kg. Voidaan asentaa sellaisenaan suoraan ohjauspulpettiin, tai käyttää upotussarjoja X64 (9513200155) tai X57 (9513200157), jolloin saadaan ohjauspyörää vietyä lähemmäs ohjauspulpettia.

Lisätiedot ›

1 108,00 €
Määrä
Lisää ostoskoriin
Saatavuus
Varastossa (1 kpl)
Nopea toimitus
14 päivän palautusoikeus
Kaikki yli 150 € tilaukset rahtivapaasti
Nöytä toimituskuluarvio

Tuotekuvaus

OMINAISUUDET:

• Kompakti rakenne
• Männän kuulalaakerikehä
• Sisäänrakennettu lukkoventtiili peräsimen lukitusta varten
• Sisäänrakennettu ylipaineventtiili suojaa ylipaineelta
• 3/4” kartiomainen akseli ruostumatonta terästä
• Lukkoventtiili ja akselitiiviste helposti vaihdettavissa
• Mukana 90° säädettävät liittimet 3/8” putkelle
• Tuotto 39 cm3
• Mäntiä: 7
• Takaiskuventtiili 70 Bar - 1000 psi Pakkauskoko 1 Kpl
Näytä lisää tuotteita
Hydraulipumput tuoteryhmästä
Mainostoimisto Semio
KÄYTTÄJÄTUNNUS (E-mail:)
SALASANA

Kirjautuminen

Kirjaudu sisään antamalla
tunnuksesi ja salasanasi.

› Uusi asiakas? Rekisteröidy tästä.
› Unohtuiko salasana?