Siirry tekstisisältöön ›
Maritim venetarvikkeet » Kylmä, vesi ja ilmastointi » Messinki » LÄPIVIENTI 2' CR MESSINKI

LÄPIVIENTI 2' CR MESSINKI

 

LÄPIVIENTI 2
LÄPIVIENTI 2LÄPIVIENTI 2

LÄPIVIENTI 2' CR MESSINKI

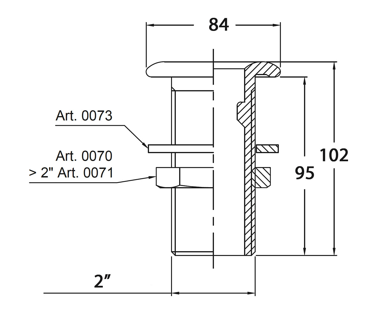
Maestrinin läpivienti on valmistettu korroosionkestävästä messingistä (tunnetaan myös CR- tai DZR-messinkinä). Materiaali on messinkiseosta, joka ehkäisee sinkkikadon aiheuttamaa korroosiota ja kestää altistumisen merivedelle. Läpiviennissä on perinteinen kupumainen pää ja sen mukana toimitetaan messinkinen kiinnitysmutteri ja aluslevy. Läpivienti liitetään kierteitettyyn putkeen, suunniteltu laitaläpivienniksi.

Lisätiedot ›

86,00 €
Määrä
Lisää ostoskoriin
Saatavuus
Varastossa (4 kpl)
Nopea toimitus
14 päivän palautusoikeus
Kaikki yli 150 € tilaukset rahtivapaasti
Nöytä toimituskuluarvio

Tuotekuvaus

Paineluokitus: 363 PSI (25 baaria)
Kierteen koko: 2' BSP-uros
Kierteen pituus: 102 mm
Pään halkaisija: 84 mm Pakkauskoko 1 Kpl
Näytä lisää tuotteita
Messinki tuoteryhmästä
Mainostoimisto Semio
KÄYTTÄJÄTUNNUS (E-mail:)
SALASANA

Kirjautuminen

Kirjaudu sisään antamalla
tunnuksesi ja salasanasi.

› Uusi asiakas? Rekisteröidy tästä.
› Unohtuiko salasana?